Plymouth Voyager Fuse Box Diagram - Voyager Plymouth Fuse Diagram - Car fusebox and electrical wiring diagram.. 19 kb file type : Plymouth service repair manuals and wiring diagrams pdf free download. Please let us know if you need anything else to get the problem fixed. I purchased the haynes repair manual. Hi guys i'm new here.

Mine is an 06 2500 ,can anyone tell me where i might find a diagram ? Neither place has a diagram. Passenger compartment fuse box fuse f18, f19, f20, f21. 95 plymouth voyager fuse box diagram daily update wiring diagram the video above shows how to replace blown fuses in the interior fuse box of your 1996 plymouth voyager in addition to the fuse panel diagram location. Nouvelle option walls voyager où est regroupé et séparé tous les wallpapers et photos spécial voyager pour plus de cohérence.

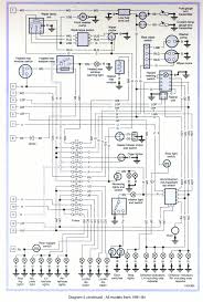
96 00 Dodge Caravan Plymouth Chrysler Voyager Fuse Box Diagram
96 00 Dodge Caravan Plymouth Chrysler Voyager Fuse Box Diagram from fotohostingtv.ru
Fuso engine electric management system schematics. Fuel diagrama electrico voyager 1991. Car fusebox and electrical wiring diagram. So, i searched and searched for an e93 fuse box photo, and found it on ebay seller who is selling theirs. Fuses & fuse boxes └ car electrical components └ car parts └ vehicle parts & accessories all categories antiques art baby books, comics & magazines business, office & industrial cameras & photography cars, motorcycles & vehicles clothes. I purchased the haynes repair manual. 2010, 2011, 20112, 2013, 2014, 2015, 2016 fuse labels labels description see owner's handbook airbag abs headlamp dipped beam headlamp. Mine is an 06 2500 ,can anyone tell me where i might find a diagram ?

Right click on the diagram/key/fuse box you want to download save the diagram to your hard drive, remember where you put it!

If your plymouth voyager headlights or something else out of electrical system doesn't work, check the fusebox and if it is needed, make a replacement. Fuse box diagram for 1997 plymouth voyager. 1999 plymouth grand voyager fuse box diagram. 2010, 2011, 20112, 2013, 2014, 2015, 2016 fuse labels labels description see owner's handbook airbag abs headlamp dipped beam headlamp. I'm looking for the wiring diagram for the fuse box of 3rg gen anyone? Fuel diagrama electrico voyager 1991. Fuse box diagrams (fuse layout) and assignment of fuses and relays, location of the fuse blocks in plymouth vehicles. Only pre 2000 voyagers had internal fuse boxes. Seeking information about land rover discovery fuse box diagram? If your voyager has many options like a sunroof, navigation, heated seats, etc. Plymouth service repair manuals and wiring diagrams pdf free download. Neither place has a diagram. Car fusebox and electrical wiring diagram.

The video above shows how to replace blown fuses in the interior fuse box of your 2000 plymouth voyager in addition to the fuse panel diagram location. Relay fuse diagram on a 1998 plymouth grand voyager 5 answers. Hi guys i'm new here. Interior light wiring diagram of 1992 plymouth voyager.jpg. 2 people found this helpful.

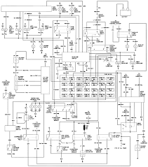
1998 Plymouth Voyager Fuse Box Location Wiring Diagram Subject Proto Subject Proto Salatinosimone It
1998 Plymouth Voyager Fuse Box Location Wiring Diagram Subject Proto Subject Proto Salatinosimone It from medicanewstoday.fesn2019.it
Passenger compartment fuse box(below the glove box at the front passenger side. Please let us know if you need anything else to get the problem fixed. Do you think that that would be the same for an 05 i just bought this trick and fuse box cover was missing so i been trying to find out what's what. Fuse box / dedicated fuse: So, i searched and searched for an e93 fuse box photo, and found it on ebay seller who is selling theirs. Plymouth service repair manuals and wiring diagrams pdf free download. If you have the owner's manual you will find a fuse diagram in it, if not. Rip thanks for you reply but we have looked all around the fuse box with the other fuses and relays, we can't find it there,and do not see one set off.

2 people found this helpful.

If you have the owner's manual you will find a fuse diagram in it, if not. If your plymouth voyager headlights or something else out of electrical system doesn't work, check the fusebox and if it is needed, make a replacement. Fuse box diagrams (fuse layout) and assignment of fuses and relays, location of the fuse blocks in plymouth vehicles. Plymouth service repair manuals and wiring diagrams pdf free download. Here you will find fuse box. Hi guys i'm new here. Fuso engine electric management system schematics. Relay fuse diagram on a 1998 plymouth grand voyager 5 answers. Right click on the diagram/key/fuse box you want to download save the diagram to your hard drive, remember where you put it! Seeking information about land rover discovery fuse box diagram? Mine is an 06 2500 ,can anyone tell me where i might find a diagram ? Nouvelle option walls voyager où est regroupé et séparé tous les wallpapers et photos spécial voyager pour plus de cohérence. Neither place has a diagram.

Relay fuse diagram on a 1998 plymouth grand voyager 5 answers. Fuel diagrama electrico voyager 1991. Rip thanks for you reply but we have looked all around the fuse box with the other fuses and relays, we can't find it there,and do not see one set off. Fuel diagrama electrico voyager 1991. I purchased the haynes repair manual.

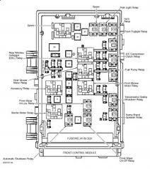
1993 Plymouth Voyager Fuse Diagram Wiring Diagram Ground Gudu Ground Gudu Ristorantegorgodelpo It
1993 Plymouth Voyager Fuse Diagram Wiring Diagram Ground Gudu Ground Gudu Ristorantegorgodelpo It from static.cargurus.com
You might be a service technician that intends to search for referrals or address existing problems. The video above shows how to replace blown fuses in the interior fuse box of your 2000 plymouth voyager in addition to the fuse panel diagram location. I'm looking for the wiring diagram for the fuse box of 3rg gen anyone? Mine is an 06 2500 ,can anyone tell me where i might find a diagram ? Right click on the diagram/key/fuse box you want to download save the diagram to your hard drive, remember where you put it! Fuel diagrama electrico voyager 1991. Only pre 2000 voyagers had internal fuse boxes. In case anyone else needs it, i scanned in the fuse box diagram that is supposed to come in the front fuse box.

I need fuse box for plymouth voyager 1998.it come with all fuses or separate.

Right click on the diagram/key/fuse box you want to download save the diagram to your hard drive, remember where you put it! Fuse box diagram for 1997 plymouth voyager. You might be a service technician that intends to search for referrals or address existing problems. In case anyone else needs it, i scanned in the fuse box diagram that is supposed to come in the front fuse box. Do you think that that would be the same for an 05 i just bought this trick and fuse box cover was missing so i been trying to find out what's what. Only pre 2000 voyagers had internal fuse boxes. Fuse box diagram dodge caravan, chrysler town & country and plymouth voyager (1996, 1997, 1998, 1999, 2000). Nouvelle option walls voyager où est regroupé et séparé tous les wallpapers et photos spécial voyager pour plus de cohérence. 1999 plymouth grand voyager fuse box diagram. We cannot find any information on where the relay goes. 95 plymouth voyager fuse box diagram daily update wiring diagram the video above shows how to replace blown fuses in the interior fuse box of your 1996 plymouth voyager in addition to the fuse panel diagram location. The video above shows how to replace blown fuses in the interior fuse box of your 2000 plymouth voyager in addition to the fuse panel diagram location. Neither place has a diagram.

By